Сканирующий электронный микроскоп (СЭМ) – это аналитический прибор, в котором для получения информации о морфологии, составе и структуре поверхности образца используется сфокусированный пучок высокоэнергетических электронов, сканирующий поверхность по растровой развёртке. В процессе взаимодействия электронного пучка с образцом детектируются вторичные электроны, обратно рассеянные электроны и характеристическое рентгеновское излучение. Благодаря нанометровому разрешению и большой глубине резкости СЭМ позволяет получать чёткие трёхмерные изображения шероховатых и рельефных поверхностей.
В науке и технологии производства бумаги этот метод стал незаменимым инструментом для описания микроструктуры материала, так как он сочетает высокое разрешение, большую глубину резкости и возможность микроанализа химического состава с помощью энергодисперсионной спектроскопии (EDS). В данной статье систематически рассматриваются четыре ключевых направления применения СЭМ в бумажной промышленности: анализ морфологии поверхности, исследование внутренней структуры, микроанализ химического состава и оптимизация технологических процессов.
Каждое направление сопровождается практическими примерами и детальным обсуждением.
Микроскопия морфологии и структуры поверхности бумаги
Бумага представляет собой сложный пористый композит, образованный растительными волокнами (древесная целлюлоза, соломенные волокна и т. д.), которые переплетены и соединены водородными связями, а также наполнителями, проклеивающими веществами и химическими добавками. Морфология поверхности и микроструктура – ориентация волокон, распределение пор, дисперсность наполнителей, структура поверхностного слоя – напрямую определяют ключевые показатели качества: физико‑механические свойства (прочность, гладкость, воздухопроницаемость), оптические характеристики (белизна, непрозрачность) и печатные свойства.
Традиционная оптическая микроскопия ограничена дифракционным пределом, её полезное увеличение обычно не превышает 1000×, разрешение низкое, что не позволяет детально изучать микроструктуру поверхности волокон, субмикронные поры и нанометровые слои покрытия. Кроме того, оптический микроскоп предъявляет высокие требования к плоскостности образца и не даёт адекватной информации о трёхмерном переплетении волокон. Напротив, СЭМ обеспечивает непрерывное увеличение от нескольких тысяч до сотен тысяч раз, в идеальных условиях разрешение достигает 10 нм, а большая глубина резкости позволяет детально визуализировать морфологию волокон, мелкие поры, распределение частиц наполнителя и однородность покрытия.
В практических исследованиях с помощью СЭМ можно систематически изучать строение клеточных стенок волокон, ориентацию микрофибрилл на поверхности волокна, распределение мелкого волокна (фибрилл), взаимодействие наполнителя (например, карбоната кальция или каолина) с волокнистой матрицей, а также степень покрытия поверхности проклеивающими агентами. СЭМ широко применяется для оценки влияния различных видов поверхностной обработки (мелование, проклейка, каландрирование, печать) на структуру поверхности бумаги, что даёт непосредственную морфологическую основу для оптимизации технологических процессов и разработки новых продуктов.
Экспериментальный пример: наблюдение морфологии поверхности различных видов бумаги с помощью электронного микроскопа LANSEM 30.
В данном исследовании были отобраны шесть распространённых типов бумажных образцов: офисная бумага формата А4, бумага для заметок (стикеры), лабораторная бумага для взвешивания, туалетная бумага, особо мягкая туалетная бумага и безпылевая бумага. Все образцы были подготовлены и проанализированы в одинаковых условиях. Основные результаты представлены ниже.
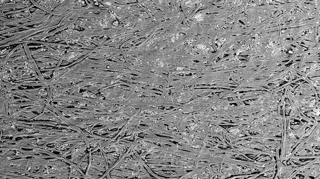
Офисная бумага А4
Поверхность относительно гладкая, волокна плотно переплетены, пористость низкая. Диаметр волокон довольно однороден и составляет примерно 11–17 мкм, ориентация случайная, выраженного направления нет. На поверхности наблюдается большое количество субмикронных частиц наполнителя (предположительно карбонат кальция или каолин), которые способствуют повышению непрозрачности и улучшению печатных свойств.
Рис. 1 Морфология поверхности офисной бумаги А4
Бумага для заметок (стикеры)
Гладкость поверхности близка к офисной бумаге, волокна также плотно упакованы, но их диаметр заметно меньше. Расположение волокон имеет выраженную ориентацию, вероятно, связанную с направленной укладкой волокнистой сетки в процессе формования. На поверхности также присутствует множество мелких частиц, их состав требует дальнейшего подтверждения с помощью EDS.
Рис. 2 Морфология поверхности бумаги для заметок (стикеры)
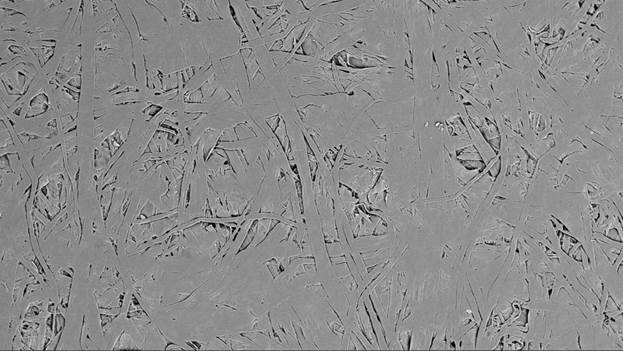
Лабораторная бумага для взвешивания
Поверхность чрезвычайно гладкая и плотная, поры между волокнами практически отсутствуют. Волокна расположены хаотично, диаметр варьируется. Поверхность чистая, видимых частиц не обнаружено. Это свидетельствует о том, что бумага прошла интенсивную каландрировку и содержит мало наполнителя, что обеспечивает высокую размерную стабильность и низкую проницаемость.
Рис. 3 Морфология поверхности лабораторной бумаги для взвешивания
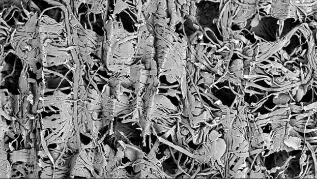
Туалетная бумага (обычная)
Структура рыхлая и пористая, поверхность относительно шероховатая. Диаметр волокон сильно варьируется, присутствует множество разрушенных волокон и сферических волокнистых пучков (вероятно, из-за использования вторичного волокна или специальной обработки массы). Волокна переплетены в двух направлениях, общая морфология имеет волнистый рельеф. Частиц на поверхности не наблюдается, что соответствует требованиям высокой мягкости и впитываемости.
Рис. 4 Морфология поверхности обычной туалетной бумаги
Особо мягкая туалетная бумага
По сравнению с обычной туалетной бумагой поверхность более гладкая, волокна переплетены плотнее и упорядоченнее, количество и размер пор уменьшены. Волокна представлены в основном целыми нитевидными формами, поверхность чистая, что указывает на высокую чистоту волокнистой массы и возможное добавление умягчителя, делающего волокна более гибкими.
Рис. 5 Морфология поверхности особо мягкой туалетной бумаги
Безпылевая бумага
Структура чрезвычайно рыхлая, волокна преимущественно полые (трубчатые) с примесью небольшого количества плоских волокон, ориентация выражена слабо. Поверхность чистая, частицы отсутствуют. Такая уникальная морфология и структура волокон обеспечивает низкое пыление и высокую абсорбционную способность, что делает этот материал пригодным для использования в чистых помещениях и для точной протирки.
Рис. 6 Морфология поверхности безпылевой бумаги
Наблюдение и анализ внутренней структуры бумаги
Свойства бумаги определяются не только характеристиками поверхности, но и внутренним строением: трёхмерной архитектурой волокнистого каркаса, межслойным взаимодействием, распределением добавок в толще материала. Приготовив поперечные или продольные срезы, с помощью СЭМ можно чётко визуализировать внутреннее переплетение волокон, слоистую структуру, границы раздела наполнитель‑волокно и распределение химических добавок (например, влагопрочных и сухих упрочняющих агентов) в волокнистой сети.
Экспериментальный пример: сравнение поперечной структуры офисной бумаги А4 и бумаги для заметок:
Офисная бумага А4
На поперечном срезе видна типичная многослойная структура с большим количеством слоёв и высокой однородностью. Между слоями наблюдается множество частиц наполнителя, что согласуется с данными анализа поверхности и указывает на равномерное распределение наполнителя по всей толще бумаги.
Рис. 7а Поперечная морфология офисной бумаги А4
Бумага для заметок (стикеры)
Поперечная структура демонстрирует выраженную асимметрию. Одна сторона аналогична офисной бумаге и представляет собой слоистое волокнистое строение, а другая сторона представляет собой сплошной клеевой слой. Этот клеевой слой обеспечивает возможность многократного приклеивания, и его адгезия к волокнистой основе является ключевым фактором, определяющим эксплуатационные свойства.
Рис. 7b Поперечная морфология бумаги для заметок (стикеры)
Микроанализ и идентификация химического состава бумаги
В современном производстве бумаги широко используются различные функциональные добавки: наполнители, пигменты, проклеивающие вещества, красители, оптические отбеливатели и т. д. Их тип, содержание и распределение напрямую влияют на конечные свойства продукта и его себестоимость. Сочетание СЭМ с энергодисперсионной спектроскопией (EDS) позволяет проводить качественный и полуколичественный элементный анализ в микро масштабе.
С помощью EDS можно наглядно отобразить распределение характерных элементов: кальций (Ca) – карбонатный наполнитель, алюминий (Al) – сульфат алюминия (проклеивающий агент), кремний (Si) – каолин или неорганический ретенционный агент. Это даёт возможность оценить удержание наполнителя, однородность проклейки и установить источник загрязнений или посторонних включений.
Экспериментальный пример: EDS‑анализ состава поверхностных частиц.
Были проанализированы образцы с видимыми частицами на поверхности (офисная бумага А4, бумага для заметок) и без них (лабораторная бумага для взвешивания, туалетная бумага, особо мягкая туалетная бумага, безпылевая бумага). Результаты точечного EDS‑анализа показали:
- Во всех образцах присутствуют базовые элементы C, O, Al; в некоторых образцах обнаружен Mg. Это связано как с растительным волокном, так и с использованием алюминиевых квасцов (сульфата алюминия) в технологическом процессе.
- В образцах с видимыми частицами (офисная бумага А4 и бумага для заметок) зафиксирован значительный сигнал Ca (Рис. 8a, 8b).
Рис. 8a EDS‑спектр и псевдоцветная карта распределения элементов для А4‑бумаги, содержащей Ca
Рис. 8b EDS‑спектр и псевдоцветная карта распределения элементов для бумаги для заметок, содержащей Ca
- В образцах с чистой поверхностью (лабораторная бумага для взвешивания, туалетная бумага, особо мягкая туалетная бумага, безпылевая бумага) сигнал Ca отсутствует (Рис. 9a, 9b, 9c, 9d).
Рис. 9a EDS‑спектр и псевдоцветная карта распределения элементов для лабораторной бумаги для везвешивания (без Ca)
Рис. 9b EDS‑спектр и псевдоцветная карта распределения элементов для туалетной бумаги (без Ca)
Рис. 9c EDS‑спектр и псевдоцветная карта распределения элементов для особо мягкой туалетной бумаги (без Ca)
Рис. 9d EDS‑спектр и псевдоцветная карта распределения элементов для безпылевой бумаги (без Ca)
На основании этого можно сделать вывод, что частицы, наблюдаемые на поверхности офисной бумаги А4 и бумаги для заметок, представляют собой преимущественно кальций содержащие соединения – скорее всего, карбонат кальция (CaCO₃), широко используемый наполнитель. Данный анализ предоставляет прямые доказательства для оптимизации технологии введения наполнителя и контроля зольности бумаги.
Применение в исследованиях и оптимизации технологических процессов производства бумаги
Производство бумаги включает множество стадий: приготовление сырья, размол, составление композиции, подача массы, формование, прессование, сушка, каландрирование, мелование и т. д. СЭМ может быть использован на всех этапах технологической цепочки для диагностики и оптимизации процессов:
- Оценка размола: анализируя морфологию волокон (длину волокон, степень фибрилляции), можно оценить эффективность размола и вклад в прочность готовой бумаги.
- Исследование мокрой части (влажного формования): используя СЭМ и EDS, анализируют распределение наполнителей и проклеивающих веществ в волокнистой сети, что позволяет оптимизировать стратегию введения химикатов.
- Анализ сушки и каландрирования: наблюдают усадку и скручивание волокон в процессе сушки, а также их уплощение после каландрирования, устанавливая связь с физическими показателями (плотность, гладкость).
- Оптимизация меловании (нанесения покрытия): изучают толщину, однородность, пористость покрытия и адгезию между покрытием и бумажной основой, что служит основой для корректировки рецептуры и параметров нанесения.
Заключение
Сканирующий электронный микроскоп LANSEM 30 в сочетании с дополнительными аналитическими приставками создаёт мощную платформу для глубокого понимания взаимосвязи между микроструктурой, химическим составом и свойствами бумаги. Его незаменимая роль в описании поверхности и внутренней структуры, идентификации компонентов и анализе технологических процессов предоставляет научно обоснованные количественные данные для контроля качества, оптимизации производства, разработки новых продуктов и снижения затрат.
